je dessine une platine d'allumage pour un projet OA et je me retrouve avec un problème d'assemblage avec le carter et carter d'embrayage dessinés a l'origine par notre regretté Riritrep.
a savoir:
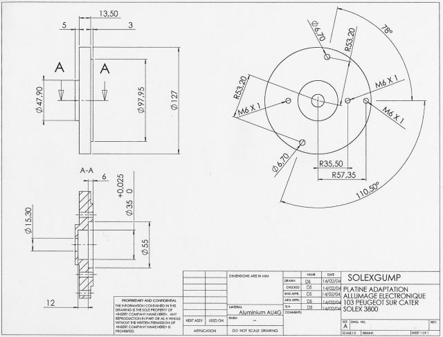
Les côtes angulaires des 3 trous d'assemblage au carter qu'on retrouve sur les plans partagés sur ce forum sont :
188.5 ° sur diametre 53.2 et 110.5 sur diametre 57.35
ceux de Riri:
188° sur diametre 53 et 110° sur diametre 57.5
Avez vous déja remarqué ce t écart de cotes ?
Qui a raison ?



