Après avoir passé un beau dimanche sur le campus de l'Insa à apprécier le bruit des solex et l'odeur du mélange, nous sommes repartis, avec un pote, gonflés à bloc pour dépoussiérer un proto qu'on avait fait il ya quelques années quand on était Insaliens... Du coup, j'ai réouvert mes cartons et j'ai fait un état des lieux rapide (2 cadres, 4 moteurs dont un en config "proto", galet acier, culasse alu, carbu mob, cales, cylindre bricolé, etc...) mais impossible de remettre la main sur l'allumage... Après quelques coups de téléphones j'ai récupérer un allumage de 103 électronique (volant magnétique/Stator et son support).
J'aurais deux questions à vous poser (Pour le moment parce qu'après je risque d'être trèèèèèèès chiant pendant 1 an, enfin j'vais modéréer biensûr
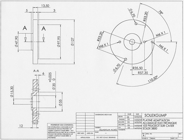
- J'ai cherché et recherché sur le forum impossible de savoir qu'elle platine d'allumage est la bonne pour adapter ce fichu allumage => J'ai bien trouvé un plan de Solexgump : http://www.solex-competition.net/virtua ... %20103.jpg
Mais j'ai trouvé le plan joint à ce post...
Savez-vous m'éclairer? Un de ces 2 plans est-il le bon ? Si oui, dois-je prévoir des adaptations?
- Côté volant magnétique, j'ai un petit cône qui a priori n'est pas compatible. D'après mes archives, il semblerait qu'en récupérant le cône d'un volant d'origine solex ça pourrait matcher... des avis? Si non, des solutions dans un fond de tiroir d'établi?
Je vous remercie par avance pour votre aide.
En espérant garder la motivation pour pendant 1 an !
Ludo





