Après mettre exprimé dans le blog du nouveau règlement, j'ai eu beaucoup de demande pour des vilos de refabrication.
C'est comme ça qu'au final j'ai appris que ce type de vilebrequin était officiellement autorisé au règlement du RN'S en catégorie proto.
Je ne comptais pas me lancer dans ces produits car les galets me demandent déjà beaucoup de travail.
Mais il n'y a que les imbéciles qui ne change pas d'avis et au final, ça ne fait qu'un seul plan à gérer donc comparer aux galets ça sera bien plus simple.
Bien que beaucoup de personne semble avoir la réponse, je ne m'exprimerai pas en ce qui concerne la conformité au futur règlement pour la catégorie promotion.
A ce jour j'estime que ça n'est pas autorisé car aucune infos contraire n'a officiellement été diffusé.
C'est pourquoi si il y a des intéressés, les personnes qui participe au RN'S seront prioritaires vue le délai pour les livrer à temps.
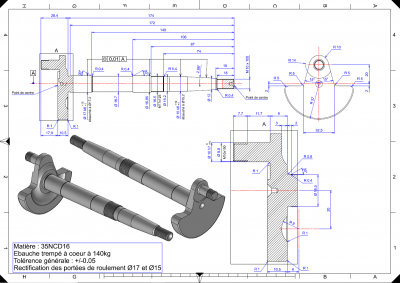
Pour cette pièce, je me suis conformé au plan officiel diffusé dans le règlement technique du RN'S, toutes les cotes apparentes sur ce plan sont respectées, pour celle qui manque (et il y en a) j'ai repris les cotes sur un vilebrequin d'origine de 3800.
Voilà quelques aperçu en 3D, un prototype devrait être réalisé dans la semaine qui vient.
Point important, il est écrit sur le règlement que le vilebrequin peut être renforcé.
Au départ, je pensais proposer deux types de vilebrequin, un en 40CMD8 prétraité à 110kg ce qui aurai donné un vilebrequin déjà beaucoup plus solide que l'origine, et un encore plus solide en 35NCD16 traité à 140kg (comme les vilebrequins de proto et SP que je fabrique d'ordinaire).
Finalement j'ai choisi de vous proposer la version en 35NCD16 qui sera légèrement plus chère mais tellement solide que je pense que ça compensera son tarif plus élevé.
Pour être précis, voilà comment seront fabriqué ces vilebrequins :
- la base sera donc du 35NCD16
- une ébauche sera usiné puis envoyé au traitement pour une trempe à cœur à 140kg
- l'ébauche sera reprise en tournage pour réaliser la queue et commencer la masse
- la pièce sera ensuite reprise en fraisage pour finir la masse et réaliser le maneton
- pour finir la pièce sera reprise en rectification pour reprendre les deux portées de roulement
Tout cela sera fait avec de la matière de qualité, chez des professionnels et sur machine à commande numérique.
Afin de réduire le tarif, les pièces seront réalisées que par série de minimum 15 pièces (pour que ça utilise une barre entière de matière).
Au final, le tarif pour un vilebrequin sera de 135€ (FDPC).
Mon usineur m'a annoncé que le tarif sera abaissé à 130€ mais qu'à partir de 50 pièces commandées, voir 125€ pour 100 pièces. On en est pas encore là .
Je sais d'avance que certain diront que ça fait cher pour un vilo d'origine mais j’appuie sur le fait qu'on est très loin point de vue qualité d'un vilo hollandais qui se vend déjà 90€ sans le port.
Il sera éventuellement possible de rajouter une rainure de clavette mais ça sera en supplément et je n'ai pas encore demander le tarif à mon usineur.
Pour les intéressés, contacter moi au plus vite par MP pour que je puisse vous livrer pour le RN'S.










