Bonjour
Ayant acheté un SP j'ai besoin de cages a roulements de direction timken.
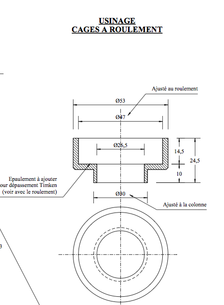
J'ai trouvé un artisan qui par nous ferais des pieces par 10 a 27 eu unitaire d'apres le plan de paulo.
A moins de 10 ce serais 32 euros.
+ ports
Si l'un d'entre vous peut lancer une serie a un tarif plus intéressant je suis prenneur.
Merci









